Pressure Control Valves - Components

HYDROMODEL-200 offers an extensive selection of components to meet all your hydraulic / electrohydraulic learning needs and create your custom compositions.

Proportional pressure relief solenoid valve, direct control

HM9402 - Regulates the maximum pressure value at a point using an electrical control signal. - Coil actuation 24VDC, I nominal 0.8A. - Pmax: 10 bar. _*Necessary connector for coil HY9303_

Direct control ball pressure relief valve

HM9414 - Allows adjusting the maximum pressure value at the inlet, discharging to the tank from the adjusted value. - Manual adjustment by rotary handle. - Pmax: 10 bar.

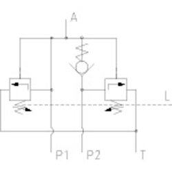
3-way sliding pressure relief valve with damping

HM9418 - Opens the oil flow when the preset pressure value is reached at the inlet. - Direct control. Manual adjustment by rotary handle. - Pmax: 10 bar.

3-way direct control pressure reducing valve

HM9420 - Allows adjusting the pressure value at the outlet, in A. - Manual adjustment by rotary handle. - Pmax: 10 bar.

Pre-actuated pressure relief valve

HM9459 - Two-stage pressure relief valve, one pilot and one main. Can work as a sequence valve, opening from P to T when the pressure value in P is reached. - Manual adjustment by rotary handle. - Pmax: 10 bar.

Discharge valve with external pilot

HM9460 - Opens the oil flow when the preset pressure value is reached at the pilot. - Discharge by external pilot. - Manual adjustment by rotary handle. - Pmax: 10 bar.

High-low pressure circuit

HM9463 - Manual adjustment by two rotary handles. - Pmax: 10 bar. - Composed of a circuit of two adjustable pressure relief valves and a check valve. - All integrated into the same body.

Product configurator

Do you want to request a quote on this product and get the specifications and technical descriptions of it? Configure your ideal system through our product configurator and get all the related information in just a couple of clicks.